Катушка с шлангом КДУМВ150-12 комб 220В Экоюрус-Венто

Артикул:

КДУМВ150-12 комб. 220В
Цена по запросу

Информация

Катушка с шлангом КДУМВ150-12 комб 220В Экоюрус-Венто

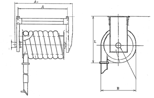
Дистанционно управляемая катушка КДУМ(В) для удаления    выхлопных газов. Используется для работы с двигателями малой мощности (мототехника и легковые автомобили).

Устройство, предназначенно для удаления выхлопных газов от двигателей   внутреннего сгорания автомобилей, генераторов и т.д.

Устанавливаются в закрытых помещениях: гаражах, депо, ремонтных мастерских, станциях технического обслуживания и т.д

При подборе устройства удаления выхлопных газов, минимальное соотношение удаляемых газов и побочного воздуха 50/50.

Выполнена в виде полого барабана с намотанным   на него  шлангом,  снабженным газоприемной насадкой, легко закрепляемой на выхлопной трубе автомобиля.

Шланг может быть комбинированным, различной термостойкости. Насадка может быть выполнена цилиндрической или овальной формы.

Катушка может быть  агрегатирована с  вентилятором (модификация с индексом «В»).

Воздуховытяжное устройство КДУ может иметь 3 вида воздуховода:

1)воздуховод повышенной термостойкости (термостойкость 150ºС)

2)воздуховод ПВХ(термостойкостью до 70оС)

3)комбинированный

Устройство КДУМ может устанавливаться на поворотную  консоль длиной 3м.

Устройство  может  комплектоваться неопреновой(резиновой насадкой).

Производитель: Экоюрус-Венто

Тэги:

Добавить отзыв

Пожалуйста, выберите рейтинг!
Пожалуйста, укажите свой отзыв!
Ваш отзыв должен быть как минимум 20 символов.
Current month ye@r day *

Похожие товары:

Последние просмотренные товары:

Меню
Корзина
Наверх