Стационарный механический фильтр с автоматической очисткой ФМС-1200-1 Экоюрус-Венто

Артикул:

ФМС-1200-1
177780 ₽

Информация

Стационарный механический фильтр с автоматической очисткой ФМС-1200-1 Экоюрус-Венто

Благодаря фильтрующему элементу на бумажно-тканевой основе позволяет осуществить полномасштабную очистку воздуха от аэрозолей (в том числе сварочного) и мелкодисперсной сухой неслипающейся пыли, выделяющейся при различных производственных процессах.

Запатентованная система регенерации фильтрующего элемента позволяет производить эффективную регенерацию фильтрующего элемента, без использования сжатого воздуха, работает от электросети.

Фильтр оснащен самофиксирующимся в пространстве воздухоприёмным устройством.

Фильтры предназначены для очистки воздуха от сварочного аэрозоля, образующегося при сварке, ручной газовой резке металлов, а также для очистки от мелкодисперсной (размеры частиц ≥0,3мкм) сухой, невзрывоопасной, неслипающейся пыли, образующейся  при порошковой окраске изделий, механической обработке изделий из металла и пластмасс.

Максимальная  температура загрязненного воздуха не должна превышать 60ºС.

Применение:
- сварочные цеха
- цеха механической обработки металла
- цеха механической обработки пластмасс

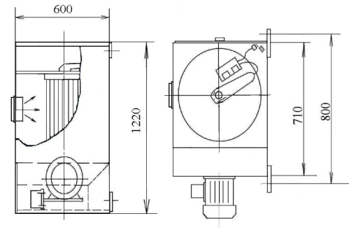
Фильтр состоит из корпуса с входным патрубком, снабжен ножками для установки на пол или проушинами для крепления к стене (в зависимости от исполнения). На корпусе закреплено воздухоприёмное устройство. Внутри корпуса по ходу воздушного потока установлен отбойник, для предотвращения попадания крупных частиц, окалины и искр на основной фильтрующий элемент картриджного типа. Внутри фильтрующего элемента расположена система регенерации, а её привод на крышке фильтрующего элемента. Включение электродвигателя системы регенерации осуществляется автоматически через (50-60) сек. после включения вентилятора.

Фильтр снабжен вентилятором и пусковой аппаратурой, кабелем питания длиной 5м, разъёмом для подключения к электросети.

Фильтр ФМС-1200-1 выпускается в двух исполнениях:
- напольное
- настенное

Фильтры выпускаются с воздуховытяжным устройством d=160мм в следующих модификациях :
-  ФМС-1200-1  с устройством Rобсл. =2,0м

Наименование показателей

ФМС-1200-1

Расход воздуха, м3

1200

Степень очистки, %

98

Количество фильтрующих элементов, шт.

1

Площадь фильтрующей поверхности, м2

19,5

Количество воздухоприёмных устройств, шт.

1

Диаметр воздухоприёмного устройства, мм

160

Радиус обслуживания воздухоприёмного устройства, м

2

3,2

Потребляемая мощность, кВт

1,5

Напряжение электросети, В

380

Масса, кг

68

74

Производитель: Экоюрус-Венто

Тэги:

Добавить отзыв

Пожалуйста, выберите рейтинг!
Пожалуйста, укажите свой отзыв!
Ваш отзыв должен быть как минимум 20 символов.
Current month ye@r day *

Похожие товары:

Последние просмотренные товары:

Меню
Корзина
Наверх